bb贝博艾弗森官网
站群导航
学校主站
党委办公室(行政办公室)、党委统战部
纪委办公室(监察室、党委巡察办公室)
党委组织部
党委宣传部
党委教师工作部(人事处)
党委学生工作部(学生工作处)
党委武装部(保卫处)
发展规划与质量管理处
教务处
校企合作处
招生就业处
后勤基建处
财务处
国际交流处(港澳台事务办公室)
国有资产管理处
审计处
工会(离退休工作处)
团委
继续教育学院
网络与信息技术中心
图书馆
柳州螺蛳粉产业学院
马克思主义学院
汽车工程学院
电子信息工程学院
环境与食品工程学院
财经与物流管理学院
贸易与旅游管理学院
艺术学院
通识教育学院
教师发展中心
校友网
就业服务网
柳州职业技术学院技能大赛
大学生心理健康教育与咨询中心
成果奖申报网之卓越绩效
成果奖申报网之技术骨干
柳州市柳职院检验检测有限责任公司
双高院校建设专题
加入收藏
|
×
搜索过于频繁,请输入验证码
网站首页
新闻动态
通知公告
办事指南
下载专区
教师下载专区
学生下载专区
文件制度
信息公开
实训基地
学籍管理
考试规程
人才培养方案
实习管理
更 多......
新能源汽车大赛
1+X证书制度
基地验收材料公示
您的位置:
首页
>
更 多......
>
示范实训基地
>
工业机器人技术
>
详细内容
工业机器人技术
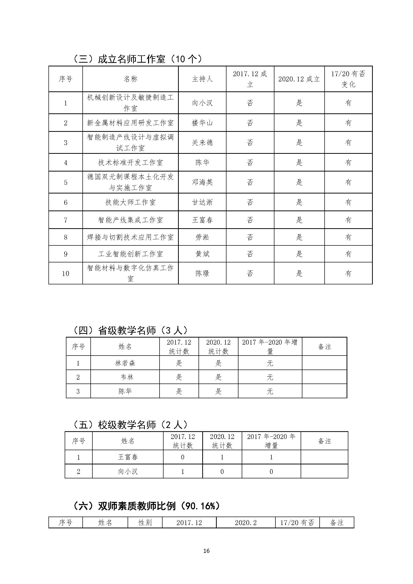
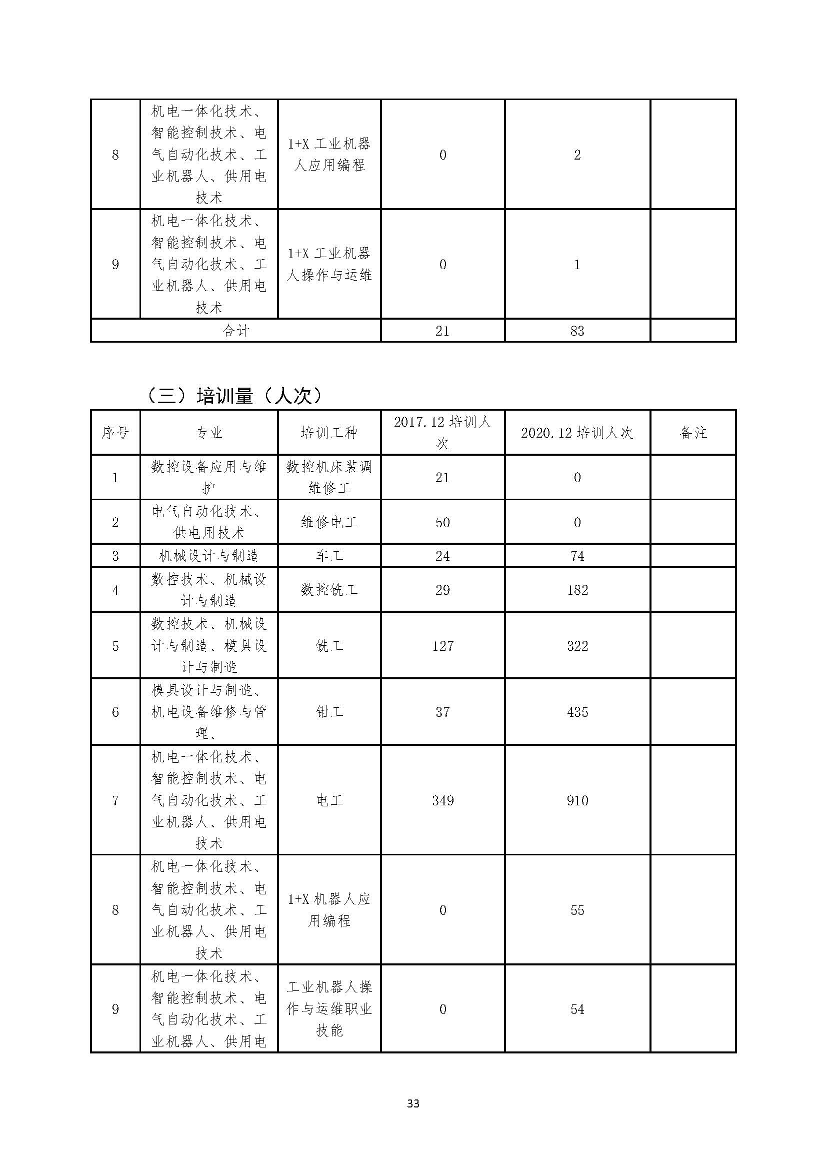
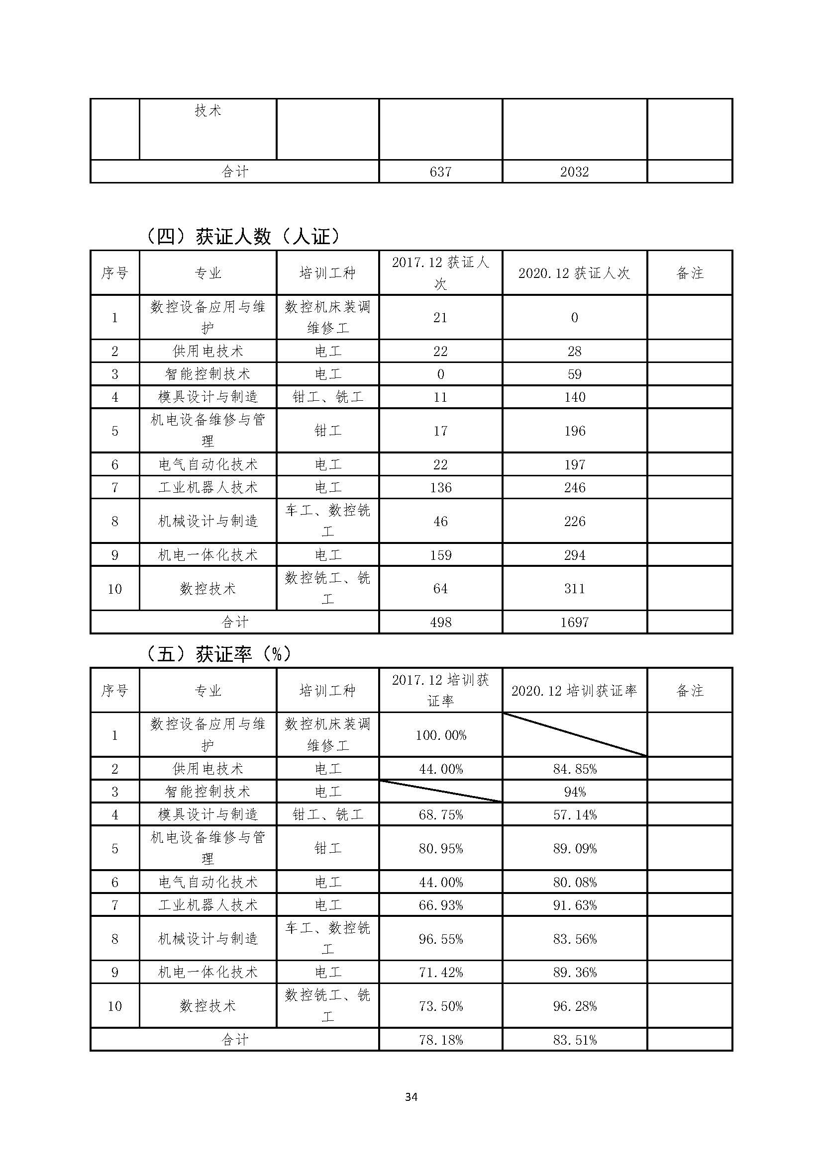
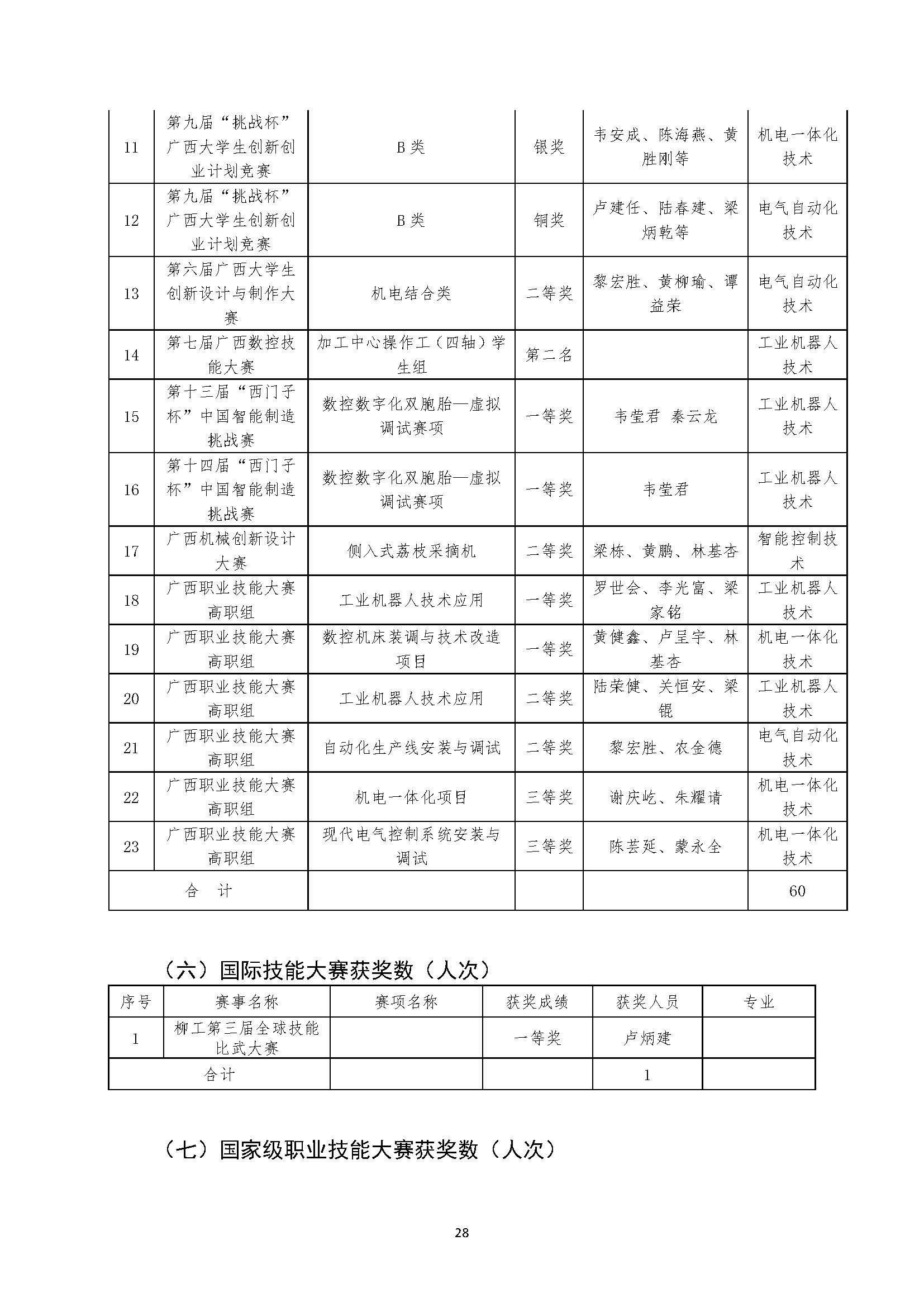
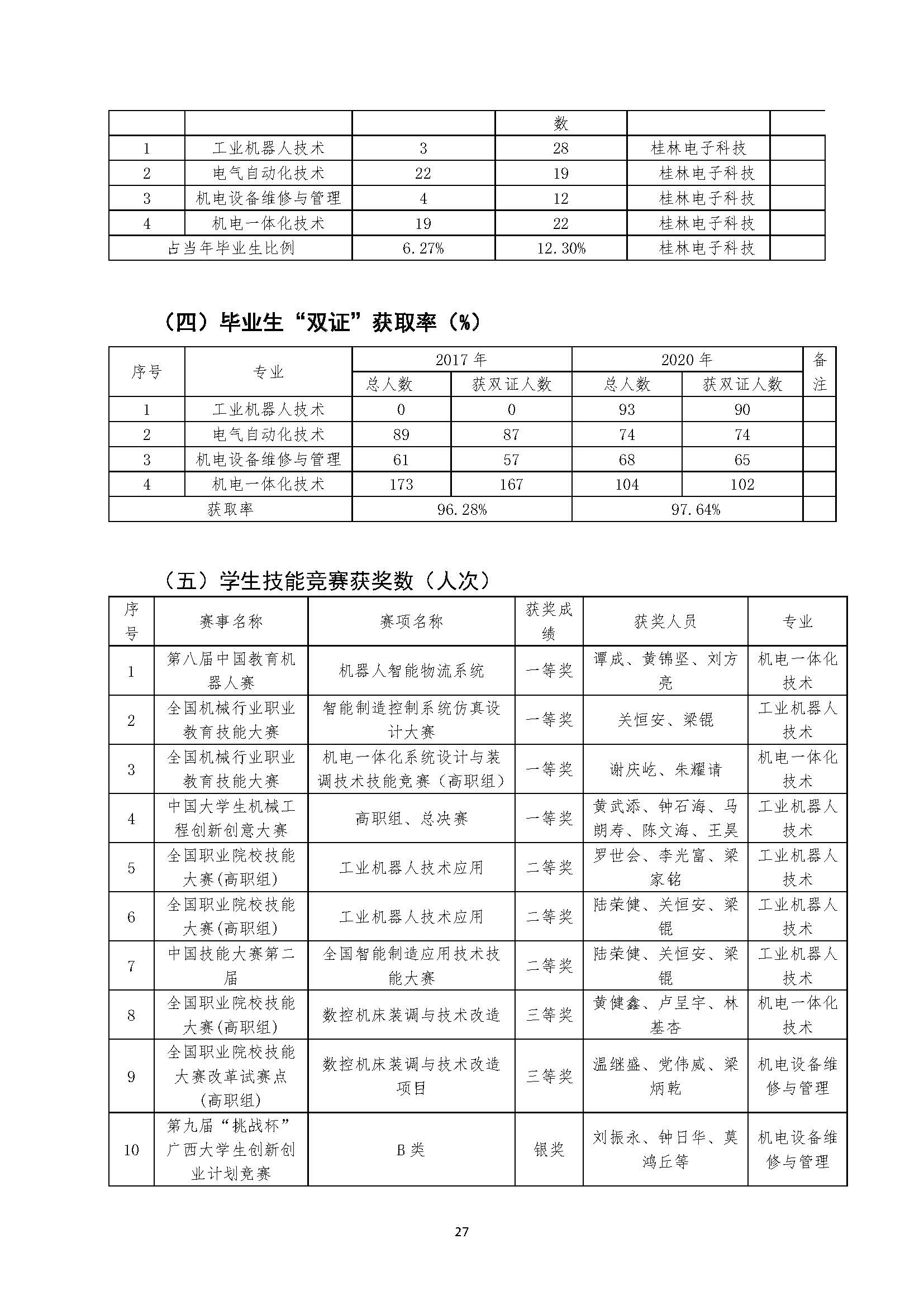
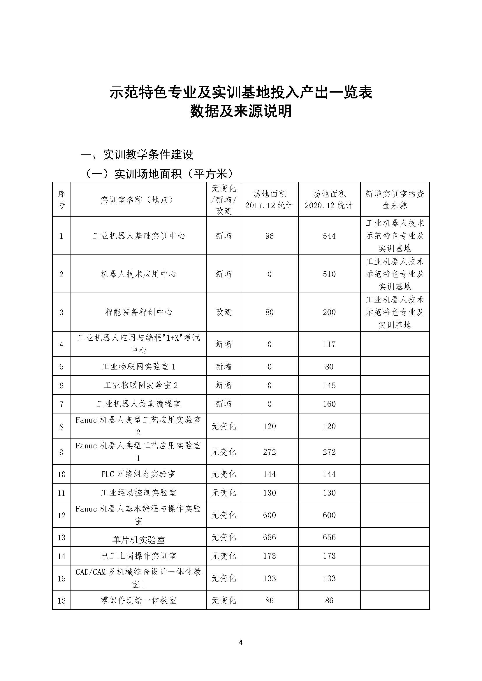
4.示范特色专业及实训基地投入产出一览表
来源:
发布时间:2021-03-03 16:10:48
浏览次数:
次
【字体:
小
大
】
终审:教务处
分享到:
【打印正文】
×
用户登录
登 录
账号密码登录
成功登录后,
保持登录状态
忘记密码?
用户登录